[SK] Inštalácia ku kotlu na drevo - Fairy 3.5 kw

Ukážky realizácii DIY tepelných čerpadiel
mino
Príspevky: 13
Dátum registrácie: Št, 1. Januára 2026, 22:52

[SK] Inštalácia ku kotlu na drevo - Fairy 3.5 kw

Príspevok od používateľa mino »

Ahojte, Martin ma požiadal o popis mojej inštalácie, skúsim to v jednoduchosti zhrnúť, pridať pár fotiek, ak by niekoho niečo zaujímalo, kľudne sa opýtajte.

Pre hrubú predstavu o tepelných stratách ide o poschodový RD 175m2, ytong 30cm, EPS 20cm, pultová strecha 32cm vata, podlaha 16cm eps, podlahové kúrenie.

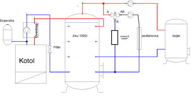
Kúrenie: kotol attack dpx25, akumulačná nádrž 1000l, regulátor Tech i-1 cwu. Kotol ohrieva vodu v AN cez oventrop, Tech regulátor nastavuje 3cest. ventil a zapína podľa potreby čerpadlá - 1. pre podlahové kúrenie, 2. pre ohrev TUV v obojživelnom bojleri.

Kúrenie fungovalo v princípe naložiť kotol doplna, zapáliť, o dva dni prísť naložiť znova. Tech si sledoval výstupnú teplotu z AN, podľa ekvitermiky miešal teplotu do podlahovky a podľa potreby spúšťal čerpadlo na ohrev TUV.

Ciel s miniHPC - nemusieť chodiť ku kotlu raz za dva dni :D a zachovať možnosť kúrenia a súbežného ohrevu vody drevom - väčšinou ohrievam vodu drevom aj v lete, funguje to tak, že raz za týždeň naložím skoro do polky kotol a to nabije AN na 80°C a tech potom dohrieva bojler, keď v nom klesne teplota... môj vnútorný strýko držgroš sa toho nechce vzdať, lebo to skoro nič nestojí...


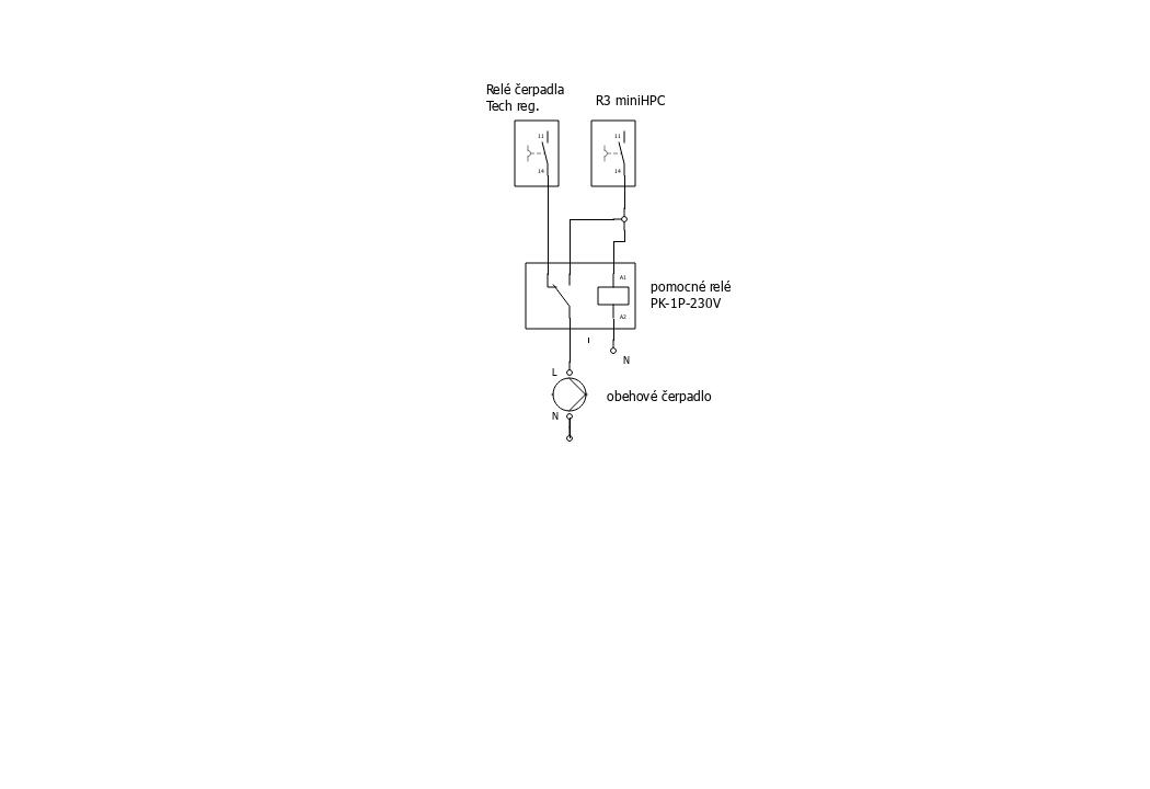
Podľa schémy zapojenia vidieť, že TČ ohrieva vratnú vodu z podlahy, ktorá potom prúdi cez 3cv späť do podlahy. Vďaka tomu, môže v prípade potreby 3cv primiešavať teplú, ak by TČ nestíhalo. Neohrieva TUV. Tech mám teda zapojený (cez jeho vstup pre on/off termostat) ako prídavný ohrev na R2. Pri bežnej prevádzke je 3cv na 0%. Ak miniHPC rozhodne, že TČ nestíha, Tech začne podľa potreby primiešavať teplú z AN - má svoje teplotné čidlo za 3cv. Napájanie čerpadla je riešené cez pomocné relé (schéma pri obrázkoch), aby sa miniHPC a Tech o neho nehádali - keď je na miniHPC zopnuté R3, napája ho miniHPC, inak ho napája Tech...

Po skoro mesiaci som spokojný, kompresor mám obmedzený na 60hz a zatiaľ stačilo aj pri mínusoch.

PS: AI mi upratala policu (mne sa nechcelo), nesúlad nôh prosím ignorujte.
kotolna3.jpg
kotolna2.jpg
kotolna1.jpg
mino
Príspevky: 13
Dátum registrácie: Št, 1. Januára 2026, 22:52

Re: [SK] Inštalácia ku kotlu na drevo - Fairy 3.5 kw

Príspevok od používateľa mino »

schémy sa nezmestli, takže:

kúrenie:
kurenie-schema.fw.png
zapojenie relé:
rele-schema.jpg
Ahojte.
Napísať odpoveď